JSRオートメーション、浦江からのビジネス代表団を歓迎
先週、JSRオートメーションは浦江県政府関係者と30名を超える著名なビジネスリーダーを施設にお迎えする栄誉に浴しました。ロボットによる自動化、インテリジェント製造、そして将来の協業における可能性を探りました。
安川電機ロボット冷却システムのメンテナンス
安川電機ロボット冷却システムのメンテナンス 不適切な機能冷却ファン or 熱交換器内部温度が上昇する原因となる可能性がありますDX200/YRC1000コントローラーキャビネットの温度が上昇し、内部部 […]
安川電機ロボットのエンコーダバックアップエラーを回復する方法
最近、お客様からJSR Automationにエンコーダに関するご相談がありました。今日はそれについてお話ししましょう。 安川電機ロボットエンコーダエラー回復機能の概要 YRC1000制御システムでは、ロボットアーム、外 […]
安川電機ロボット言語 | 中国語と英語を切り替える方法
お客様から、安川電機ロボットは英語に対応しているかどうかというお問い合わせをいただきました。簡単にご説明いたします。安川電機ロボットは、ティーチペンダントで中国語、英語、日本語のインターフェース切り替えに対応しており、オ […]
安川電機ロボットフィールドバス通信
安川電機ロボットフィールドバス通信 産業オートメーションでは、通常、ロボットはさまざまな機器と連携して動作し、シームレスな通信とデータ交換が必要です。フィールドバス技術、そのシンプルさ、信頼性、そしてコスト効率これらの接 […]
コンテナ変換のためのJSRロボティックオートメーション
先週、JSRオートメーションにカナダのお客様をお迎えする機会に恵まれました。ロボットショールームと溶接ラボをご案内し、当社の高度な自動化ソリューションをご紹介しました。お客様の目標は? ロボット溶接を含む完全自動化生産ラ […]
✨ 輝くすべての女性に敬意を表します!
3月8日は国際女性デーです。勇気、知恵、回復力、そして強さを称える日です。企業のリーダー、起業家、テクノロジーのイノベーター、あるいは献身的なプロフェッショナルなど、あなたはそれぞれの方法で世界に変化をもたらしています。
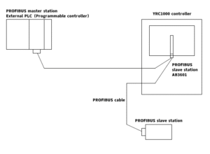
安川電機ロボットバス通信 - Profibus-AB3601
YRC1000でPROFIBUSボードAB3601(HMS社製)を使用する場合、どのような設定が必要ですか? このボードを使用することで、YRC1000 の汎用 IO データを他の PROFIBUS 通信ステーションと交 […]










